location-hero

Crane Industry

FAST TURNAROUND REPAIRS FOR THE CRANE INDUSTRY’S HYDRAULIC CYLINDERS

NATIONWIDE REPAIR CENTRES

IN-HOUSE HARD CHROME PLATING

REPAIRS FULLY TESTED & GUARANTEED

Repair Centers

10 Modern Repair Centres equipped for Large Cylinders

Berendsen’s modern repair facilities and high-tech quality control systems are optimised for the large, complex hydraulic cylinders found on your crane.

services

Specialised equipment for repairs to cylinders up to 12m

Trained, qualified technicians & strict repair processes

Fully-digital repair management system for 100% quality control

In-house boring, milling & machining, sandblasting & painting

Chrome Plating

In-house Hard Chrome Plating for Rods Up to 12m

Berendsen’s modern repair facilities and high-tech quality control systems are optimised for the large, complex hydraulic cylinders found on your crane.

10-Modern-repair-centres

Best-in-class hard chrome plating operation

Cylinder-repairs

Horizontal-rotation plating of rods up to 12 metres

Pump-motor-repairs

Optimal chrome deposit concentricity with deposits over 350 microns

On-site-services

Precision grinding, linishing & surface finishing for premium results

Capabilities

Digital Repair Processes & Superior Quality Control

Berendsen’s strict hydraulic cylinder repair process is governed by a digital repair workflow system to track and monitor every step of repair. Maintaining quality control and streamlining repair time.

Best-in-class-hard-chrome-plating-operation
Tablet Computers used to log & manage every stage of repair
Horizontal-rotation-plating-of-rods-up-to-12-metres
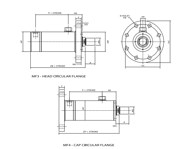
Detailed Schematics & Cylinder Repair Specifications
Optimal chrome deposit concentricity with deposits over 350 microns
Full Job History Reporting
Precision grinding, linishing & surface finishing for premium results
Streamlined Repair Process & Minimised Downtime

Hydraulic Cylinder

Extensive Hydraulic Cylinder Engineering Knowledgebase

Berendsen’s world-class engineering division has developed a library of detailed schematics for the hydraulic cylinders we repair. Providing technicians with access to technical information and correct repair procedures.

Find a Branch
why-berendsen

Branch Network

Fully-equipped repair centres across 5 states & territories

Hydraulic Repair & Service
Hard Chrome Plating Facilities